Transform Your Chemical Processes
Advanced Process Design offers expert support to clients seeking to optimize the design, operation, and maintenance of their industrial processes by ensuring that these processes operate efficiently, safely, and sustainably, aligning with both regulatory requirements and business objectives. We specialize in process engineering, focusing on feasibility studies, PFDs, P&IDs, and more process optimisation to enhance your processes.

Leading the Way in Process Engineering
We provide expert services in:
- Feasibility Studies
- Process Flow Diagrams (PFDs)
- Piping & Instrumentation Diagrams (P&IDs)
- Equipment Sizing & Specification
- Efficiency Improvements
- Energy Integration and Recovery

Our Core Services
Explore the exceptional solutions we offer that set us apart in the field of chemical engineering:

Feasibility Studies
In-depth assessments to determine the technical and economic viability of new processes.

Process Flow Diagrams
High-level drafts illustrating the major steps and flows in processes for clarity.

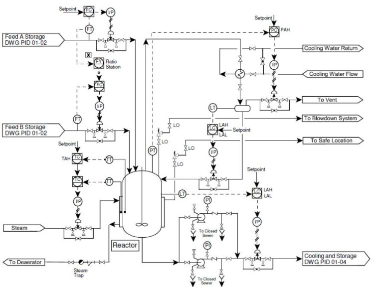
P&IDs
Comprehensive diagrams detailing equipment, piping, and control systems for accurate understanding.

Energy Efficiency
Strategies aimed at reducing energy consumption and enhancing operational efficiency.
50+
Projects Completed
20+
Years of Experience